爱技术

 找回密码
 注册会员

QQ登录

只需一步,快速开始

微信登录

微信扫一扫,快速登录

搜索
查看: 323|回复: 1
收起左侧

一条四端输出的数据线怎么接回手机?

[复制链接]
发表于 2007-5-5 22:13:23 | 显示全部楼层 |阅读模式

马上注册,结交更多好友,享用更多功能,让你轻松玩转社区。

您需要 登录 才可以下载或查看,没有帐号?注册会员 微信登录

x
大家好,
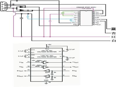
我的一条四端输出的数据线拆了装不回去了,芯版是HIN202E的,懂的朋友麻烦帮看一下是怎么接手机端的.附图:

图
发表于 2007-5-6 08:34:23 | 显示全部楼层
电路好像不对?兰青分别接5、6
回复 支持 反对

使用道具 举报

您需要登录后才可以回帖 登录 | 注册会员 微信登录

本版积分规则

小黑屋|Archiver|手机版|爱技术 ( 沪ICP备08115260号-3 )

GMT+8, 2025-10-8 21:06

Powered by Discuz! X3.4 Licensed

Copyright © 2001-2020, Tencent Cloud.

快速回复 返回顶部 返回列表