爱技术

 找回密码
 注册会员

QQ登录

只需一步,快速开始

微信登录

微信扫一扫,快速登录

搜索
12
返回列表 发新帖
楼主: lxlhl2008
收起左侧

[E系列] S68 EL71 E71的耳机转接口接来了

[复制链接]
发表于 2007-6-29 10:16:34 | 显示全部楼层
11111111111111
回复 支持 反对

使用道具 举报

发表于 2007-9-17 02:30:17 | 显示全部楼层
西安要是有卖的我就去买呀,我手头有好耳机,可惜用不成啊
回复 支持 反对

使用道具 举报

发表于 2009-5-13 16:07:41 | 显示全部楼层
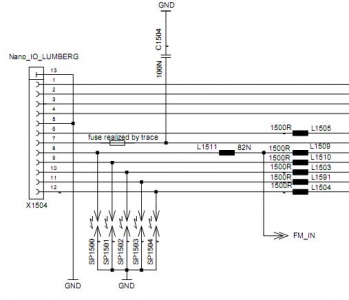
从电路图上来看是8脚把收音机信号输入到手机,所以电容一端要接到8脚,另外一端可以接到10脚或12脚,利用外接耳机线做天线
E71接口.jpg
回复 支持 反对

使用道具 举报

发表于 2010-4-16 22:35:07 | 显示全部楼层
好贴要顶
回复 支持 反对

使用道具 举报

您需要登录后才可以回帖 登录 | 注册会员 微信登录

本版积分规则

小黑屋|Archiver|手机版|爱技术 ( 沪ICP备08115260号-3 )

GMT+8, 2025-10-22 03:00

Powered by Discuz! X3.4 Licensed

Copyright © 2001-2020, Tencent Cloud.

快速回复 返回顶部 返回列表